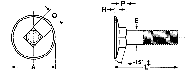
Nominal |
E |
A |
H |
O |
P |
||||||
Body Diameter |
Head Diameter |
Head Height |
Square Width |
Square Depth |
|||||||
Max |
Min |
Max Edge Sharp |
Min Edge Sharp |
Min Edge Flat |
Max |
Min |
Max |
Min |
Max |
Min |
|
| 1/4 | 0.26 | 0.237 | 1.008 | 0.969 | 0.938 | 0.098 | 0.078 | 0.28 | 0.245 | 0.219 | 0.188 |
| 5/16 | 0.325 | 0.298 | 1.227 | 1.188 | 1.157 | 0.114 | 0.094 | 0.342 | 0.307 | 0.25 | 0.219 |
| 3/8 | 0.388 | 0.36 | 1.352 | 1.312 | 1.272 | 0.145 | 0.125 | 0.405 | 0.368 | 0.25 | 0.219 |
For use in applications with rubber belting, these bolts are made with a #1 Norway Head. Also available in a flanged head or slotted and ribbed head (#3 Eclipse). Stocked in diameters from 1/4" to 38" and lengths from 3/4" to 3", Measured from top of head.

