Finished Hex Nuts
Available in plain steel, zinc plated or stainless steel; in coarse and
fine, standard or left hand threads. Stocked in sizes from 1/4" to 3" in
Grades 2, 5, and 8.
See dimensions on standard finished hex
nuts. A dimension chart on grade
5 & 8 hex nuts is also available.
For easy comparison, see sizes and dimensions
on Standard & Heavy Hex Nuts, Combined.
Group codes Represented: HN2, HN2Z, SSHN,
LHHN, HN5, HN5Z, HN8
Part# Example: 100UHN2, 56SHN2Z, 62UHN8
Grade 8 Hex Hi-Nuts
All hi-nuts are SAE thread and Grade B. They are commonly used on suspension
U-bolts or anywhere extra thread engagement is required.
Group codes Represented: HN
Part# Example: 87SHN
Tap Size |
W.A.F. |
Thick |
(F) |
(T) |
7/16 - 20 |
5/8 |
39/64 |
1/2 - 20 |
3/4 |
11/16 |
9/16 - 18 |
7/8 |
49/64 |
5/8 - 18 |
1 5/16 |
27/32 |
3/4 - 16 |
1 1/16 |
1 |
1 1/8 |
1 1/4 |
7/8 - 14 |
1 1/4 |
1 5/32 |
1 5/16 |
1 - 14 |
1 7/16 |
1 5/16 |
1 1/2 |
1 1/8 - 12 |
1 5/8 |
1 15/32 |
1 1/4 - 12 |
1 13/16 |
1 5/8 |
2 |
2 3/4 |
1 1/2 - 12 |
2 3/16 |
2 |
Hardened Thick Hex Nuts
All hardened thick hex nuts are a finished pattern and hardened for use with
Grade B or better bolts. These nuts have a proof load of 180,000 PSI.
Group codes Represented: THN8
Part# Example: 43UTHN8
Normal Size |
T |
Min. |
Max |
1/4 - 20 |
0.274 |
0.288 |
5/16 - 18 |
0.320 |
0.336 |
3/8 - 16 |
0.398 |
0.415 |
7/16 - 14 |
0.444 |
0.463 |
1/2 - 13 |
0.552 |
0.573 |
5/8 - 11 |
0.706 |
0.731 |
3/4 - 10 |
0.798 |
0.827 |
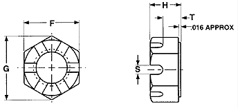
Slotted Hex Nuts

Six slots milled through for use with cotter pins to securely hold nuts and
to keep them from turning. Available in plain steel and stainless steel in
course and fine thread. Stocked in sizes from 1/4" to 3".
Group codes represented: SLHN
Part# examples: 50USLHN, 31SSLHN
Nominal Size or Basic Major
Diameter of Thread |
F |
G |
H |
T |
S |
Runout of Bearing Surface FIM |
Width Across Flats |
Width Across Corners |
Thickness |
Unslotted Thickness |
Width of Slot |
Basic |
Max |
Min |
Max |
Min |
Basic |
Max |
Min |
Max |
Min |
Max |
Min |
Max |
3/8 |
0.375 |
9/16 |
0.562 |
0.551 |
0.650 |
0.625 |
21/64 |
0.337 |
0.32 |
0.21 |
0.19 |
0.15 |
0.12 |
0.018 |
7/16 |
0.4375 |
11/16 |
0.688 |
0.675 |
0.794 |
0.738 |
3/8 |
0.385 |
0.365 |
0.23 |
0.21 |
0.15 |
0.12 |
0.018 |
1/2 |
0.500 |
3/4 |
0.750 |
0.736 |
0.866 |
0.840 |
7/19 |
0.448 |
0.427 |
0.29 |
0.27 |
0.18 |
0.15 |
0.019 |
5/8 |
0.625 |
15/16 |
0.938 |
0.922 |
1.083 |
1.051 |
35/64 |
0.559 |
0.535 |
0.34 |
0.32 |
0.24 |
0.18 |
0.021 |
3/4 |
0.750 |
1 - 1/8 |
1.125 |
1.088 |
1.299 |
1.240 |
61/64 |
0.665 |
0.617 |
0.40 |
0.38 |
0.24 |
0.18 |
0.023 |
7/8 |
0.875 |
1 - 5/16 |
1.312 |
1.269 |
1.516 |
1.447 |
3/4 |
0.776 |
0.724 |
0.52 |
0.49 |
0.24 |
0.18 |
0.025 |
1 |
1.000 |
1 - 1/2 |
1.500 |
1.45 |
1.732 |
1.653 |
55/64 |
0.887 |
0.831 |
0.59 |
0.56 |
0.30 |
0.24 |
0.027 |
1 - 1/8 |
1.125 |
1 - 11/16 |
1.688 |
1.631 |
1.949 |
1.859 |
31/32 |
0.999 |
0.939 |
0.64 |
0.61 |
0.33 |
0.24 |
0.030 |
1 - 1/4 |
1.250 |
1 - 7/8 |
1.875 |
1.812 |
2.165 |
2.066 |
1 - 1/16 |
1.094 |
1.03 |
0.70 |
0.67 |
0.40 |
0.31 |
0.033 |
1 - 1/2 |
1.500 |
2 - 1/4 |
2.25 |
2.175 |
2.598 |
2.48 |
1 - 9/32 |
1.317 |
1.245 |
0.86 |
0.82 |
0.46 |
0.37 |
0.039 |
Hex Acorn Cap Nuts

Design to cover or protect any exposed bolt threads or to give a ‘finished’ appearance,
these nuts are available in coarse and fine thread. Stocked in sizes from
#6 to 1".
Group codes Represented: AHN
Part# Example: 56UAHN, 25SAHN
One Piece Hex Cap Nuts, Low Crown |
Nominal Size or Basic Major Diameter
of Thread |
F |
G |
A |
H |
Q |
T |
U |
Width Across Flats |
Width Across Corners |
Body Diameter |
Overall Height |
Hexagon Height |
Drill Depth |
Full Thread |
Max |
Min |
Max |
Min |
Max |
Min |
6 |
0.1380 |
0.3125 |
0.302 |
0.361 |
0.344 |
0.30 |
0.34 |
0.16 |
0.25 |
0.16 |
8 |
0.1640 |
10 |
0.1900 |
0.3750 |
0.362 |
0.433 |
0.413 |
0.36 |
0.41 |
0.19 |
0.28 |
0.19 |
1/4 |
0.2500 |
0.4375 |
0.428 |
0.505 |
0.488 |
0.41 |
0.47 |
0.22 |
0.34 |
0.25 |
5/16 |
0.3125 |
0.5000 |
0.489 |
0.577 |
0.557 |
0.47 |
0.53 |
0.25 |
0.41 |
0.31 |
3/8 |
0.3750 |
0.5625 |
0.551 |
0.650 |
0.628 |
0.53 |
0.62 |
0.28 |
0.45 |
0.38 |
1/2 |
0.5000 |
0.7500 |
0.736 |
0.866 |
0.840 |
0.72 |
0.81 |
0.38 |
0.59 |
0.50 |
5/8 |
0.6250 |
0.9375 |
0.922 |
1.083 |
1.051 |
0.91 |
1.00 |
0.47 |
0.75 |
0.62 |
3/4 |
0.7500 |
1.0625 |
1.045 |
1.227 |
1.191 |
1.03 |
1.16 |
0.53 |
0.88 |
0.75 |
Jam Hex Nuts

Half the thickness of a regular nut, hex jam nuts are available in coarse
or fine, right or left handed threads. 18-8 and 316 stainless steel are available
upon request. Stocked in diameters from 1/4" to 2", grades 2, 5 and 8.
Group codes represented: JHN
Part# examples: 31UJHN, 50SJHN
| Nominal or Basic Major Diameter of Thread |
F |
G |
H |
Width Across Flats |
Width Across Corners |
Thickness |
Basic |
Max |
Min |
Max |
Min |
Basic |
Max |
Min |
1/4 |
0.2500 |
7/16 |
0.438 |
0.428 |
0.505 |
0.488 |
5/32 |
0.163 |
0.150 |
5/16 |
0.3125 |
1/2 |
0.500 |
0.489 |
0.577 |
0.557 |
3/16 |
0.195 |
0.180 |
3/8 |
0.3750 |
3/16 |
0.562 |
0.551 |
0.650 |
0.628 |
7/32 |
0.227 |
0.210 |
7/16 |
0.4375 |
11/16 |
0.688 |
0.675 |
0.794 |
0.768 |
1/4 |
0.260 |
0.240 |
1/2 |
0.5000 |
3/4 |
0.750 |
0.736 |
0.866 |
0.840 |
5/16 |
0.323 |
0.302 |
9/16 |
0.5625 |
7/8 |
0.875 |
0.861 |
1.010 |
0.982 |
5/16 |
0.324 |
0.301 |
5/8 |
0.6250 |
15/16 |
1.938 |
0.922 |
1.083 |
1.051 |
3/8 |
0.387 |
0.363 |
3/4 |
0.7500 |
1 1/8 |
1.125 |
1.088 |
1.299 |
1.240 |
27/64 |
0.446 |
0.398 |
7/8 |
0.8750 |
1 5/16 |
1.312 |
1.269 |
1.516 |
1.447 |
31/64 |
0.510 |
0.458 |
1 |
1.0000 |
1 1/2 |
1.500 |
1.450 |
1.732 |
1.653 |
35/64 |
0.575 |
0.519 |
1 1/8 |
1.1250 |
1 11/16 |
1.688 |
1.631 |
1.949 |
1.859 |
39/64 |
0.639 |
0.579 |
1 1/4 |
1.2500 |
1 7/8 |
1.875 |
1.812 |
2.165 |
2.066 |
23/32 |
0.751 |
0.687 |
1 3/8 |
1.3750 |
2 1/16 |
2.062 |
1.994 |
2.382 |
2.273 |
25/32 |
0.815 |
0.747 |
1 1/2 |
1.5000 |
2 1/4 |
2.250 |
2.175 |
2.598 |
2.480 |
27/32 |
0.880 |
0.808 |
1 3/4 |
1.7500 |
2 5/8 |
2.625 |
2.538 |
3.031 |
2.893 |
31/32 |
1.009 |
0.929 |
2 |
2.0000 |
3 |
3.000 |
2.900 |
3.464 |
3.306 |
1 3/32 |
1.138 |
1.050 |