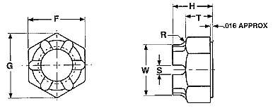
Nominal Size or Basic Major
Diameter of Threads |
F |
G |
H |
T |
S |
R |
W |
Runout of Bearing Surface FIR |
|||||||||
Width Across Flats |
Width Across corners |
Thickness |
Unslotted Thickness and height of Flat |
Width of Slot |
Radius of Filet |
Dia. of Cylind rical |
|||||||||||
Basic |
Max |
Min |
Max |
Min |
Basic |
Max |
Min |
Nom |
Max |
Min |
Max |
Min |
+ or - .010 |
Min |
Max |
||
5/8 |
0.625 |
15/16 |
0.938 |
0.922 |
1.083 |
1.051 |
23/32 |
0.731 |
0.706 |
1/2 |
0.51 |
0.49 |
0.24 |
0.18 |
0.156 |
0.797 |
0.021 |
3/4 |
0.75 |
1-1/8 |
1.125 |
1.088 |
1.299 |
1.24 |
13/16 |
0.827 |
0.798 |
9/16 |
0.57 |
0.55 |
0.24 |
0.18 |
0.188 |
0.941 |
0.023 |
7/8 |
0.875 |
1-5/16 |
1.312 |
1.269 |
1.516 |
1.447 |
29/32 |
0.922 |
0.89 |
1/32 |
0.67 |
0.64 |
0.24 |
0.18 |
0.188 |
1.097 |
0.025 |
1 |
1 |
1-1/2 |
1.5 |
1.45 |
1.732 |
1.653 |
1 |
1.018 |
0.982 |
23/32 |
0.73 |
0.7 |
0.3 |
0.24 |
1.88 |
1.254 |
0.027 |

